学报首页
学报简介
期刊在线
通知公告
写作指南
行业动态
制度法规
学校首页
写作指南
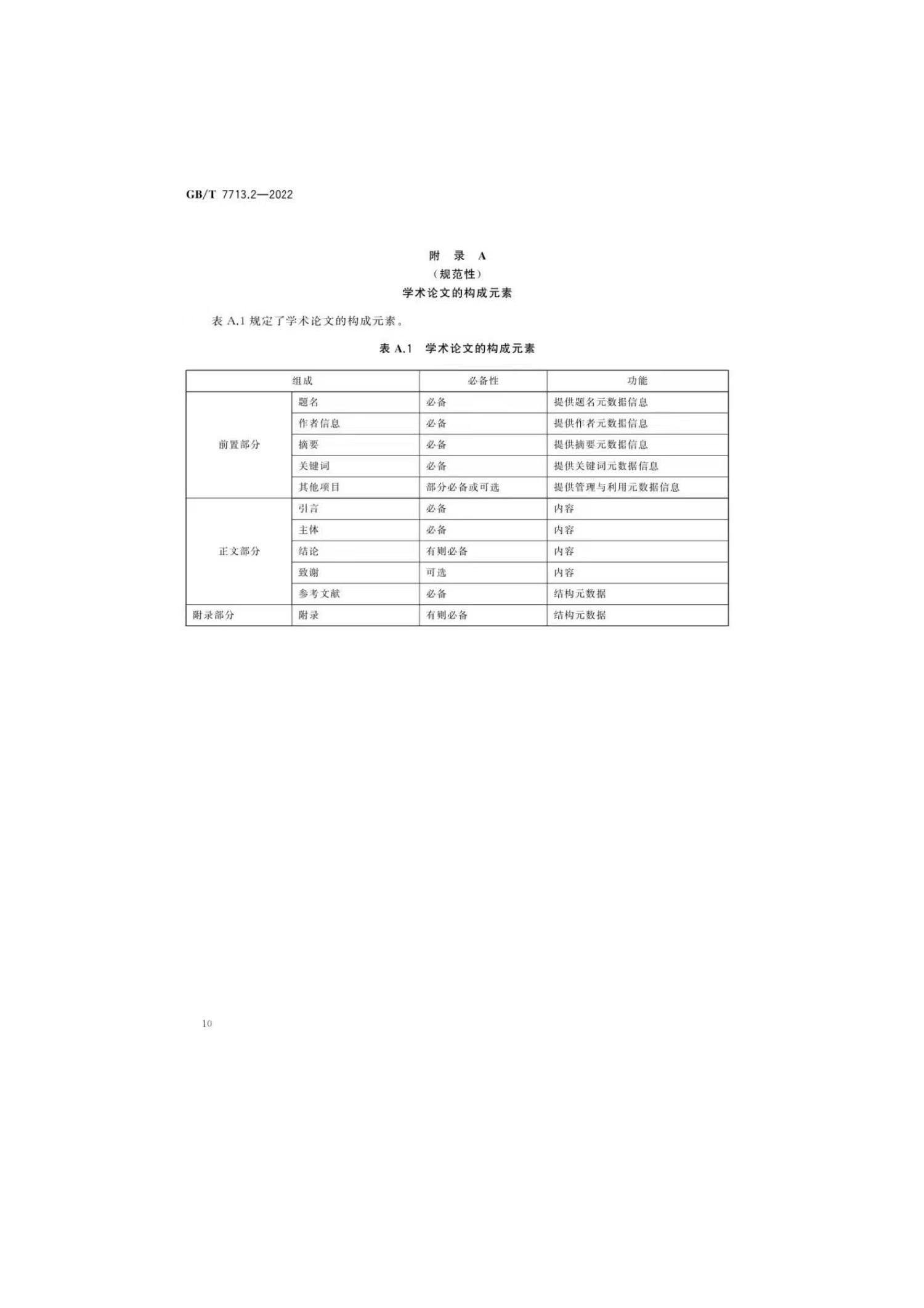
学术论文编写规则
发布时间:2023-04-26 16:25:12 浏览次数:
第1页
第2页
附件【
学术论文编写规则.pdf
】已下载
次
上一页
[1]
[2]
上一条:
2020年版中文核心期刊
下一条:
中国学术期刊(光盘版)检索与评价数据规范
写作指南